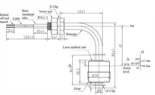
Bouton nivo likid ki monte sou bò a se yon aparèy flote -ki fèt pou bay deteksyon nivo likid egzat lè yo enstale orizontal sou miray tank la. Prensip operasyon li rete menm jan ak lòt switch flote: flote a leve ak tonbe ak likid la, aktive yon switch wozo entèn oswa Capteur mayetik yo louvri oswa fèmen yon kous.
Kote li diferan de switch ki monte anlè-oswa anba-monte se piman nan style enstalasyon ak konvenyans:
- Top-switch ki monte:Enstale vètikal soti nan tèt tank la, apwopriye pou tank gwo twou san fon oswa lè deteksyon milti-pwen nesesè.
- Bò-monte switch:Enstale orizontal nan miray tank la, ideyal lè w ap kontwole yon nivo espesifik likid fiks (egzanp, pwen alam wo oswa ba).
- Anba-monte switch:Mwens komen, yo itilize pou konsepsyon tank espesyal oswa lè espas enstalasyon limite.
Aplikasyon
Se kalite ki monte sou bò lajman ki itilize nan menm jaden kòm switch flote estanda, ki gen ladan:
- Tank dlo ak sistèm HVAC - debòde oswa pwoteksyon ponp
- Tank pwosesis endistriyèl - kontwòl nivo nan pwodui chimik, manje ak bwason, oswa likid pharmaceutique
- Maren ak depo gaz - solisyon kontra enfòmèl ant pou tank fèmen oswa rezèvwa
- Machin jeneral - lè espas vètikal pa pèmèt enstalasyon anlè
Opsyon materyèl
Plastik (PP, nayilonn) pou aplikasyon pri -efikas, korozyon-rezistan nan dlo ak pwodwi chimik limyè
Nerjaveèi (SS304/316) pou tanperati ki wo, presyon ki wo, oswa anviwònman sanitè
Lè yo ofri yon opsyon altènatif aliye, switch nivo likid ki monte sou kote bay konsèpteur sistèm fleksibilite yo chwazi metòd enstalasyon ki pi byen matche ak jeyometri tank yo, preferans antretyen, ak kondisyon pwosesis yo.
Tablo seleksyon an
|
Pwodwi estanda |
Foto |
Nan gwosè tank |
Aksyon |
|
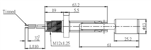
Z1-GMF-VH1(2)AM12-XX |
|
|
|
|
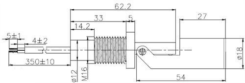
Z1-GMF-VH-1A-NPT01 |
|
|
|
|
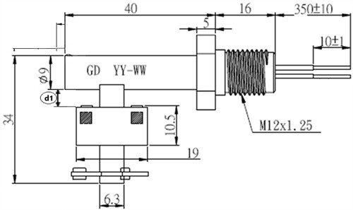
Z1-GMF-VH-2A-NPT02HJ1 |
|
|
|
|
Z1-GMF-VH-1A |
|
|
|
|
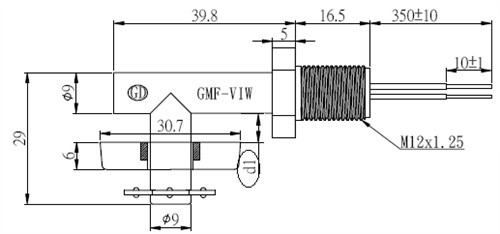
Z1-GMF-VIW-1A-S_2 |
|
|
|
|
Z1-GMF-VIW-2A_2 |
|
|
|
|
Z1S-GMF-80SL |
|
|
Flote moute - limen Flote desann - fèmen |
| Kontakte nou pou rekòmandasyon Capteur apwopriye ak solisyon Customized. | |||||
|
Fonksyon aksyon |
Flote moute - limen Flote desann - fèmen Plis nivo deteksyon pou SS personnalisation bò aliye. |
||||
|
Materyèl |
Flote ki disponib pou materyèl PP, Nerjaveèi, PVDF, NBR flote, apwopriye pou dlo, lwil oliv, ak yon pakèt pwodwi chimik deteksyon nivo likid. |
||||
|
Dimansyon Capteur |
Longè customable pou switch aliye bò asye pur |
||||
|
Metòd monte |
Fil, bride aliye nan tèt, anba, oswa bò nan tank la. |
||||
|
Tanperati opere |
0 ~ 80 degre pou pwodwi estanda, personnalisation disponib |
||||
|
Chanje Kalite |
Nòmalman Louvri (NON) |
Nòmalman fèmen (NC) |
Chanje sou |
||
|
(sikwi) |
|
|
|
||
|
Paramèt elektwonik |
Chanje kalite |
NON/NC |
Chanje sou |
||
|
Pouvwa Rating |
10W/50W |
3VA/5W |
|||
|
Chanje Voltage |
100VDC/200VDC/350VDC |
30VDC/175V |
|||
|
Chanje aktyèl la |
0.5A/1A/1.5A/0.7A |
0.2A/0.5A |
|||
|
Sètifikasyon |
Materyèl ak ROHS, REACH SVHC, FDA, NSF, UL sètifikasyon pou chwa. |
||||
Konpayi Entwodiksyon
Manyen ak Avètisman Enstalasyon
- Konsèy tank ajite:Nan tank brase, ajoute yon tib ki rete oswa yon deflektè vag pou diminye enpak vag sou flote a.
- Règ monte:dyamèt enteryè tank la oswa tiyo yo ta dwe pi gwo pase dyamèt flote a pou pèmèt bon mouvman ak fonksyon.
- Avètisman enstalasyon:Bouton flote gen eleman entèn delika. Pa tòde, twò -sere, oswa lage inite a pandan enstalasyon an. Sèvi ak koupl -zouti limite epi monte dousman.
- Prekosyon koupl:Sèvi ak zouti koupl apwopriye lè w ap enstale switch flote. Twòp fòs ka domaje eleman deteksyon entèn yo
FAQ
K: Èske mwen ka itilize yon switch flote nan likid ki pa dlo?
A: Wi - men ou bezwen tcheke gravite espesifik (SG). Bouton flote yo kalibre baze sou dlo (SG=1). Si likid ou a pi lejè (SG < 1), flote a ka koule twò lwen oswa pa flote ditou. Asire w ke SG likid ou a pi wo pase SG rated flote a pou pèfòmans egzat.
K: Poukisa switch flote mwen an pa deklanche kòrèkteman?
A: Tcheke si gen nenpòt entèferans mayetik alantou - switch flote opere ak detèktè reed, Hall, oswa TMR, ki sansib a materyèl mayetik. Si likid ou a gen patikil fè, li ka deranje presizyon detèktè.
K: Èske gen plis nivo deteksyon ki disponib?
A: Wi, personnalisation ki disponib, rive jwenn GEDING ak egzijans fonksyon detaye.
K: Èske longè fil ak konektè ka Customized?
A: Wi. Nou sipòte longè fil koutim, izolasyon fil (PVC, Teflon), ak konektè (JST, Molex, elatriye) matche ak bezwen enstalasyon ou yo.
K: Èske mwen ka ajiste pozisyon flote tèt mwen?
A: Pa gen - pwen deklanche chak flote ki pre-konfigirasyon anvan anbake. Ajisteman manyèl pral anile kalibrasyon epi li ka domaje mekanis lan.
Baj popilè: bò monte likid nivo switch, Lachin bò monte likid nivo switch manifaktirè, Swèd, faktori


































